欢迎光临宁波新州焊接设备有限公司网站!
邮箱:fym-xinzhou@weldercn.com  电话:13373889168

IBC > IBC框架线

IBC 折弯机

折弯梁

  1. 采用数控加工弯曲梁,保证弯曲角度.
  2. 弯曲梁上的每个模具可以向上和向下调整约3mm,以增加弯曲范围。.
  3. 120度模具设计使每个弯曲角度更光滑。

折弯框架

矩形形状机架采用较厚的钢柱和门形盖板,使机器牢固稳定.

液压站

将IBC折弯机应用于吨桶网片的折弯,将其折弯成轮廓尺寸为(1200±5mm)×(1000±5mm)的矩形框架。

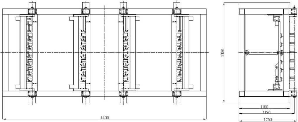
Fig. 3.3.1.1 is the outline dimension drawing of IBC bending machine:



电压

AC 380V/50Hz

额定功率

11Kw

液压

5~10MPa

气压

≥0.6    MP

冷却液流量

≥60L/min



IBC

折弯机

折弯方式

四柱同步双弯

折弯尺寸

1200+/-5mm+1000+/-5mm

上料方式

手动/自动

折弯效率

15s-20s

压力源

液压
操作人数 人工1-2人 自动0人
上一个:已经是第一个 下一个:IBC压扁冲孔机

联系我们

销售电话:18067231686 13373889168
售后服务电话:0574-88445313
传真:0574-88256693
网址:www.cnxinzhou.com
地址:浙江省宁波市海曙区洞桥镇树桥工业区聚宝路228号